Produktbeskrivning
- för 1 funktion
 - termostatinsats, med keramikventil 180°
 - Ecostop-knapp begränsar vattenförbrukningen till 10 l/min
 - maximal flödesmängd vid 3 bar: 17 l/min
 - flödesmängd för handdusch-anslutning (vid 3 bar): 17 l/min
 - säkerhetsspärr vid 40°C
 - temperaturbegränsning inställningsbar
 - backventil
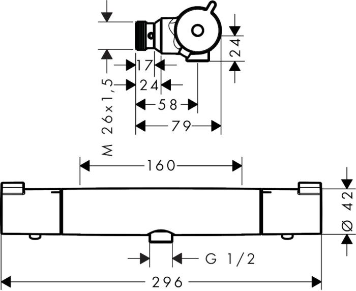
 - stickmått: 160 cc
 - smutsfilter ingår
 - Blandaren är en 150cc-blandare med påsatta excentrar
 - STA 1377
 - Se nödvändiga tillbehör för denna produkt
 
                                                    
                                                
                                                    
                                                
                                                               